Светильник светодиодный промышленный ДПУ2

описание

технические характеристики

СВЕТОДИОДНЫЙ МОДУЛЬ MV-LED
L36-146x46-BR-2835-4000K, 5000K

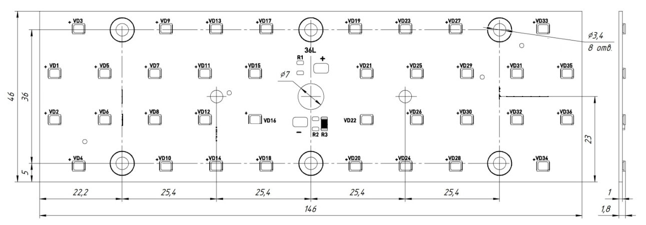
чертеж и габаритные размеры

Светодиодные модули предназначены для уличного и внутреннего освещения. Подходят для производства промышленных, складских, архитектурных, Тепличных и других видов светильников, а также для декоративного и рекламного освещения, для подсветки витрин и торгового оборудования

Под оптику
Lens

> Светодиоды: BXEP-50C-425-06A-00-00-0
> ПЛАТА: ФОЛЬГИРОВАННый АЛЮМИНИй 1,5ММ
> Монтаж: 6V Светодиоды типоразмера 2835
> типовая световая температура(CCT): 4000K или 5000к, CRI(Ra)>70
> питание: контактные площадки
> Схема: 3 паралельные цепочки из 12 светодиодоВ (3*12) или 6 паралельных цепочек по 6 последоваельных светодиодов (6*6)

> угол половинной яркости: 120 градусов
> количество светодиодов: 76шт
> отклонение цвета: <5 шагов
> Размеры: 146*46mm
> крепление: 6 отверстий диаметром 3.4мм
> максимальная температура: 85/125С
> совместимость: модуль разработан под оптику darkoo DK173-36h1

РБ
Сделано в Беларуси
165
Лм/Вт
>70
CRI
Светодиоды
SMD
L36-146x46-BR-2835